ออสซิลเลเตอร์ SMD
ชุดแผ่นรอง 4 ชิ้น ขนาด 2.5x2.0
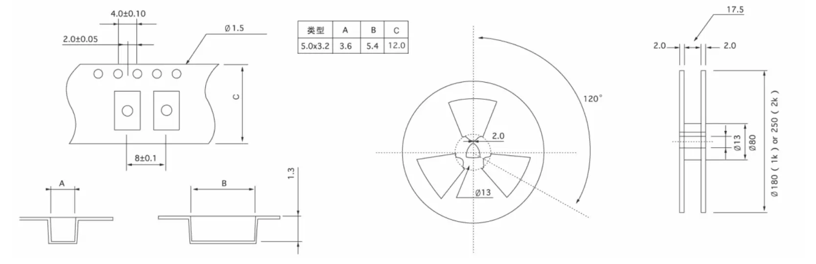
| พิมพ์ | กระจก 5.0x3.2 |
| ช่วงความถี่ | 8MHz~60MHz |
| คริสตัลเจียระไนและแฟชั่น | เอที/กองทุน |
| ค่าความคลาดเคลื่อนของความถี่ (ที่ 25 องศาเซลเซียส) | ±5ppm~±30ppm หรือระบุเพิ่มเติม |
| ลักษณะอุณหภูมิและความถี่ | ±10ppm (-20℃-70℃); ±30ppm (-40℃-85℃); |
| ช่วงอุณหภูมิการทำงาน | -40℃ ถึง +125℃ |
| ระยะเวลาการจัดเก็บ | -55℃ ถึง +125℃ |
| ความต้านทานอนุกรมเทียบเท่า (ESR) | ดูตาราง |
| ความจุโหลด (CL) | 6pf~∞ |
| ความจุขนาน (Co) | <5pf |
| ความต้านทานฉนวน | >500MΩ ที่ DC 200V |
| ระดับการขับขี่ | 10μw ~300μw |
| อายุ (ปี) | ±3 ppm (ต่อปี) |
| ความถี่ (MHz) | โหมด | ESR(Ω) กระจก 5.0x3.2 |
| 6.000<f<20.000 <="" td=""> | เอที/กองทุน | ≤ 200 |
| 20.000≤f<40.000 | เอที/กองทุน | ≤ 150 |
| 40.000≤f<80.000 | โอเวอร์โทนที่ 3 | ≤ 60 |
| นอกเหนือจากพารามิเตอร์ที่ระบุไว้ในตารางแล้ว ยังสามารถออกแบบได้ตามความต้องการของลูกค้า | ||

*
*
*