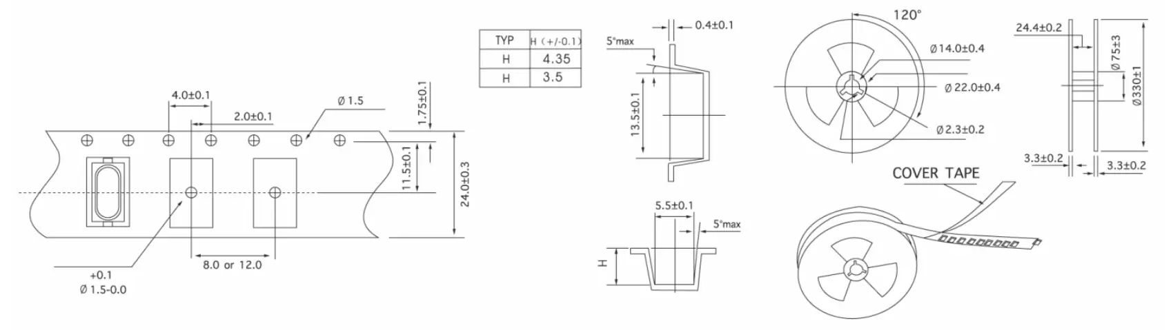
หน่วยคริสตัลควอตซ์
HC-49S/4PD
| พิมพ์ | HC-49S/SMD |
| ช่วงความถี่ | 3.5MHz~125MHz |
| การตัดคริสตัล | เอที;บีที |
| ค่าความคลาดเคลื่อนของความถี่ (ที่ 25 องศาเซลเซียส) | ±5ppm~±30ppm |
| ลักษณะอุณหภูมิและความถี่ | "AT:±2.5ppm(0℃-50℃);+5ppm(-10℃-60℃);+10ppm(-20℃-70℃);+30ppm(-40℃-85℃)"BT:±100ppm(-20℃-70℃); |
| ระยะเวลาการจัดเก็บ | -40℃ ถึง +85℃ |
| ความต้านทานอนุกรมเทียบเท่า (ESR) | ดูตาราง |
| ความจุโหลด (CL) | 4pf~∞ |
| ความจุขนาน (Co) | <5pf |
| ความต้านทานฉนวน | >500MΩ ที่ DC 100V |
| ระดับการขับขี่ | 1μw ~100μw |
| อายุ (ปี) | ±3 ppm (ต่อปี) |
| ความถี่ (MHz) | โหมด | ESR(Ω) |
| 3.500 ≤f<4.000 | เอที/กองทุน | 150~100 |
| 4.000 ≤f<6.000 | เอที/กองทุน | 100~60 |
| 6.000 ≤f<10.000 | เอที/กองทุน | 60~50 |
| 10.000≤f<15.000 | เอที/กองทุน | 50~30 |
| 15.000≤f<35.000 | เอที/กองทุน | ≤ 25 |
| 21.000 ≤f<40.000 | บีที/กองทุน | ≤ 40 |
| 25.000 ≤f<100.000 | โอเวอร์โทนที่ 3 | 80~60 |
| นอกเหนือจากพารามิเตอร์ที่ระบุไว้ในตารางแล้ว ยังสามารถออกแบบได้ตามความต้องการของลูกค้า | ||

*
*
*